Table of Contents
Ведется работа над переводом
Контроллер myCNC-ET15
(Превью)
Подключение питания
Плата управления myCNC-ET15 использует 24В постоянного тока. Плата содержит 4 контакта для подключения + 24В (соединены внутри) и несколько контактов GND для удобного подключения внешних устройств. Контакты питания 24 В постоянного тока, а также контакты + 24В и GND показаны на рисунке ниже.
ПРИМЕЧАНИЕ: На плате есть набор неправильно маркированных выходов 5В (помеченных на плате как 24В). Ниже приведена правильная распиновка блока питания:
Выходы Pulse-Dir
ET15 имеет 8 выходов pulse/dir, максимальная частота импульсов 3 МГц.
Импульсные выходы ET15 соответствуют стандарту RS422 и совместимы с большинством серво и шаговых драйверов (линейный драйвер с парафазными сигналами положительной и отрицательной полярности). Внутренняя схема для pulse-dir показана на рисунке ниже.
ET15 - Выходы
Плата ET15 содержит 64 выхода
- 56 выходов с открытым коллектором (OUT # 0-OUT # 55)
- 8 выходов ШИМ (ШИМ №0 - ШИМ №7)
Внутренняя схема показана на рисунке ниже. Чип матрицы транзисторов Дарлингтона ULN2803 используется для буферизации двоичных выходов в ET15. Каждый чип содержит 8 транзисторов и обрабатывает 8 двоичных выходов.
Выходы на плате ЕТ15:
Гальванически развязанные входы
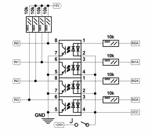
Плата управления ET15 имеет 64 гальванически развязанных двоичных входов, 16 + 2 группы по 4 входа в каждой. Каждая группа имеет отдельные контакты питания, поэтому входы могут получать питание от разных источников. Возможно одновременное использование датчиков PNP и NPN. Схема группы из четырех входов показана на рисунке ниже.
16 групп (64 контакта контакта в целом) являются независимыми входами.
Дополнительные 2 группы (8 входов оптопары) подключены к 8и контактам входов энкодера (контакты ENCODER 5B, 5C, 6A, 6B, 6C, 7A, 7B, 7C). Измените положение SW1, чтобы выбрать либо гальванически развязанные входы, либо входы линейного драйвера для ВХОДОВ # 64 … # 71.
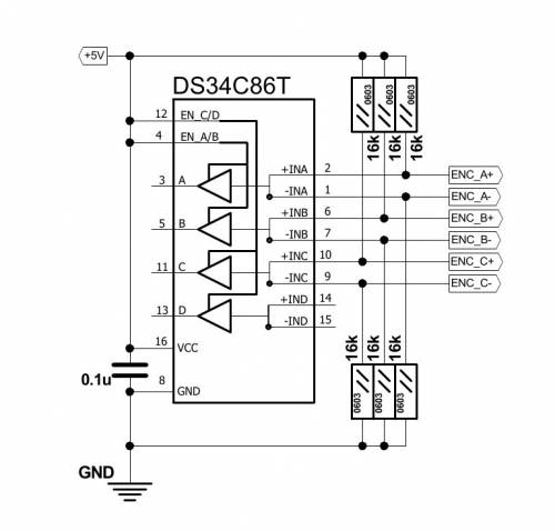
ET15 Входы энкодера
Плата ET15 имеет 8 входов инкрементного энкодера. Входы энкодера на плате ET15 соответствуют стандарту RS422 и совместимы с большинством энкодеров сервоприводов и линейных драверов. Микросхема 34C86 используется в ET15 в качестве приемника сигналов энкодера. Внутренняя схема входов энкодера показана на рисунке ниже.
INCREMENTAL ENCODER входная схема (1 энкодер, показаны сигналы ABC)
Входы энкодера отображаются в списке входов общего назначения, зарезервированы адреса от 64 до 87. Плата ET15 может использовать до 88 двоичных входов.
Входы АЦП
Плата управления myCNC-ET15 имеет 8 входов АЦП в диапазоне 0 … 5 В. Входные разъемы АЦП также имеют разъемы GND и + 5В постоянного тока для удобного подключения потенциометра. На рисунке ниже показан пример подключения потенциометра ко входу ADC2.
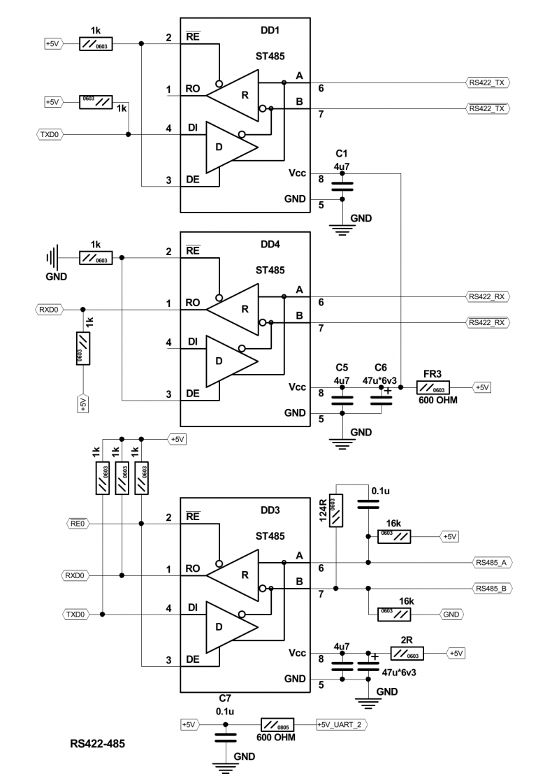
Шина RS422 / RS485
Интерфейсы шины RS422 и RS485 реализованы в аппаратном обеспечении платы управления myCNC-ET15. Включены интерфейсы Modbus ASCII/RTU и Hypertherm Serial для RS485 и RS422.
Схемы выходов для интерфейсов RS422/RS485 приведены ниже.
Плата управления myCNC-ET15 имеет разъем для шины RS422/RS485. Схема контактов разъема для RS422/RS485 показана ниже
Пример настройки шпинделя соединенного по Modbus RS485
Примеры подключения
Пример подключения трехпроводного датчика NPN
Пример подключения трехпроводного датчика PNP
Пример подключения переключателя
Перемычка для выбранной группы (J1, J2, J3, J4) закрыта.
Общий провод для 4-х оптопар подключается к внутреннему +24 В, если перемычка замкнута. Переключатель должен замкнуть другой вход оптопары на GND (0 В), чтобы активировать входной контакт.
J4 должен быть закрыт, чтобы подключить контакт оптопары к +24В. Переключатель должен замыкать провод на GND (0 В).
Управление скоростью шпинделя через выход ЦАП (0-10 В)
Размеры платы
SSH доступ к ET15
Встроенное программное обеспечение платы ET15 сделано на основе RT-Linux и SSH-сервер и может быть настроено для получения доступа к плате, настройкам, и возможностям изменения и обновления встроенного программного обеспечения.
Данные для доступа:
| порт SSH | 22 |
| логин | mycnc |
| пароль | operator |
| команда для доступа | ssh mycnc@192.168.0.69 |
| команда для доступа | ssh mycnc@192.168.1.69 |
| команда для доступа | ssh mycnc@192.168.4.69 |
Кинематика осей для ET15
Встроенное ПО платы ET15 поддерживает преобразование кинематики, определяемое пользователем.
Прошивка ET15 запускает процедуру MKinematics (запускатеся каждый серво цикл).
Код процедуры:
void MKinematics(int64_t * input, int64_t * output, uint32_t naxes);
Предполагается, что процедура заполняет массив выходных координат в соответствии с кинематикой машины. Процедура MKinematics может содержать простое присвоение выходных координат входным значениям, если нет необходимости в кинематических преобразованиях.
void KinematicsPlugin::MKinematics(int64_t *input, int64_t *output, uint32_t naxes) { for (uint32_t i=0;i<naxes;i++) output[i]=input[i]; return; }
Альтернативный способ полностью отключить плагин кинематики - это удалить файл библиотеки плагинов libkinematicsplugin.so из папки плагинов.
Пример процедуры MKinematics для робототехники показан ниже.
void KinematicsPlugin::MKinematics(int64_t *input, int64_t *output, uint32_t naxes) { double x=input[0]*InputRatio[0]; double y=input[1]*InputRatio[1]; double z=input[2]*InputRatio[2]; double M2=x*x+y*y; double M=sqrt(M2); double L2=M2+z*z; double L=sqrt(L2); double a=acos(x/M); double b=asin(z/L); double d=acos((R1*R1+R2*R2-L2)/(2*R1*R2)); double f=asin(sin(d)*R2/L); double c=b+f; output[0]=a*OutputRatio[0]; output[1]=c*OutputRatio[1]; output[2]=d*OutputRatio[2]; }
Процедура MKinematics является частью полного класса C ++ MKinematicsPlugin, который может иметь другие переменные и функции помимо основного MKinematics.
Например, MKinematics использует переменные R1, R2, которые определяют длину соединений. Значения переменных могут быть определены статически в конструкторе класса
KinematicsPlugin::KinematicsPlugin(QObject *parent) : QObject(parent) { for (int i=0;i<32;i++) { InputRatio[i]=1; OutputRatio[i]=1; } R1=100; R2=50; }
или могут назначаться из кода прошивки путем запуска процедуры setParameters, которая является частью интерфейса плагина
void KinematicsPlugin::setParameters(uint32_t addr, double param) { switch (addr) { case 0: R1=param;break; case 1: R2=param;break; } }
Программное обеспечение контроллера myCNC использует 64-битные значения с фиксированной точкой и управляет «единицами», которые равны «импульсам» (для драйверов двигателя с импульсным приводом) или «единице энкодера» для аналогового сервоуправления.
Для расчета кинематических формул, значения должны быть в реальных единицах, таких как миллиметр, дюйм, градус или радиан.
Соотношения для перевода «импульсов» в «миллиметры» или «радианы» до перевода кинематики можно назначать статически или получать из основного программного обеспечения через процедуру setInputRatios
void KinematicsPlugin::setInputRatios(double * ratio, uint32_t naxes) { for (uint32_t i=0;i<naxes;i++) InputRatio[i]=ratio[i]; }
После перевода кинематики значения координат следует переводить обратно в «импульсные» единицы. Это можно сделать с помощью процедуры setOutputRatios или назначить статически в коде плагина.
void KinematicsPlugin::setOutputRatios(double * ratio, uint32_t naxes) { for (uint32_t i=0;i<naxes;i++) OutputRatio[i]=ratio[i]; }
Плагин для кинематики находится на стадии разработки. В будущем возможны изменения.
Полный пример плагина кинематики:
Kinematics plugin source file
- kinematicsplugin.cpp
#include "kinematicsplugin.h" #include <math.h> KinematicsPlugin::KinematicsPlugin(QObject *parent) : QObject(parent) { for (int i=0;i<32;i++) { InputRatio[i]=1; OutputRatio[i]=1; } R1=100; R2=50; } void KinematicsPlugin::setParameters(uint32_t addr, double param) { switch (addr) { case 0: R1=param;break; case 1: R2=param;break; } } void KinematicsPlugin::MKinematics(int64_t *input, int64_t *output, uint32_t naxes) { for (uint32_t i=0;i<naxes;i++) output[i]=input[i]; // for (uint32_t i=0;i<naxes;i++) output[i]=input[0]/(i+1); return; for (uint32_t i=0;i<naxes;i++) output[i]=input[i]*InputRatio[i]*OutputRatio[i]; double x=input[0]*InputRatio[0]; double y=input[1]*InputRatio[1]; double z=input[2]*InputRatio[2]; double M2=x*x+y*y; double M=sqrt(M2); double L2=M2+z*z; double L=sqrt(L2); double a=acos(x/M); double b=asin(z/L); double d=acos((R1*R1+R2*R2-L2)/(2*R1*R2)); double f=asin(sin(d)*R2/L); double c=b+f; output[0]=a*OutputRatio[0]; output[1]=c*OutputRatio[1]; output[2]=d*OutputRatio[2]; } void KinematicsPlugin::setInputRatios(double * ratio, uint32_t naxes) { for (uint32_t i=0;i<naxes;i++) InputRatio[i]=ratio[i]; } void KinematicsPlugin::setOutputRatios(double * ratio, uint32_t naxes) { for (uint32_t i=0;i<naxes;i++) OutputRatio[i]=ratio[i]; }
Дополнительно необходим следующий файл:
- kinematicsplugin.h
#ifndef KINEMATICSPLUGIN_H #define KINEMATICSPLUGIN_H #include "kinematicsinterface.h" #include <QObject> #include <QtPlugin> class KinematicsPlugin : public QObject, KinematicsInterface { Q_OBJECT Q_PLUGIN_METADATA(IID Kinematics_Interface_iid FILE "kinematicsplugin.json") Q_INTERFACES(KinematicsInterface) public: KinematicsPlugin(QObject *parent = 0); void MKinematics(int64_t * input, int64_t * output, uint32_t naxes); void setInputRatios(double * ratio, uint32_t naxes); void setOutputRatios(double * ratio, uint32_t naxes); void setParameters(uint32_t addr, double param); protected: double InputRatio[32]; double OutputRatio[32]; double R1,R2; }; #endif // KINEMATICSPLUGIN_H
Также в дополнение:
- kinematicsplugininterface.h
ifndef KINEMATICSINTERFACE_H #define KINEMATICSINTERFACE_H #include <stdint.h> #include <QtPlugin> class KinematicsInterface { public: virtual ~KinematicsInterface() {} virtual void MKinematics(int64_t * input, int64_t * output, uint32_t naxes) = 0; virtual void setInputRatios(double * ratio, uint32_t naxes) = 0; virtual void setOutputRatios(double * ratio, uint32_t naxes) = 0; virtual void setParameters(uint32_t addr, double param) = 0; }; #define Kinematics_Interface_iid "pv-automation.myCNC.ET15.R1.KinematicsInterface" Q_DECLARE_INTERFACE(KinematicsInterface, Kinematics_Interface_iid) #endif // KINEMATICSINTERFACE_H
Полный архив исходников для этого примера можно скачать здесь:
http://pv-automation.com/downloads/kinematics_2018-0205_0000.tar.bz2 http://cnc42.com/downloads/1366.7z




















