Table of Contents
myCNC-ET10
Подключение питания
Для питания платы управления myCNC-ET10. 24В DC. Плата имеет 4 контакта для подключения + 24В (контакты соединены внутри платы) и несколько контактов GND для удобного подключения внешних устройств.
Диаграмма для источник питания 24В DC и контактов + 24 В и GND:
Выходы Pulse-Dir
ET10 имеет 6 выходов pulse-dir с максимальной частотой импульсов в 3 МГц.
Выходы pulse-dir на ET10 соответствуют стандарту RS485 и совместимы с большинством серво- и шаговых драйверов (линейные драйвера с парафазными сигналами положительной и отрицательной полярности). Внутренняя схема для pulse-dir показана на следующей диаграмме:
Выходы
Плата ET10 имеет 28 выводов
- 24 выхода с открытым коллектором (OUT # 0 … OUT # 23)
- 4 выхода ШИМ (ШИМ № 1, ШИМ № 2, ШИМ № 3, ШИМ № 4)
Внутренняя схема показана на рисунке ниже. Чипы транзисторной матрицы Дарлингтона ULN2003 используются для буферизации двоичных выходов в ET10. Каждый чип имеет 7 транзисторов и поддерживает до семи двоичных выходов. Мы рекомендуем не превышать 0,25 А тока для каждого выходного контакта (однако максимальный ток ULN2003 составляет 0,5 А).
Схема выходов:
Для каждого выхода и PWM-контакта на плате ET10 присутствуют светодиодные индикаторы для управления фактическим выходом / PWM-состоянием. Светодиоды выделены на следующей диаграмме:
Входы
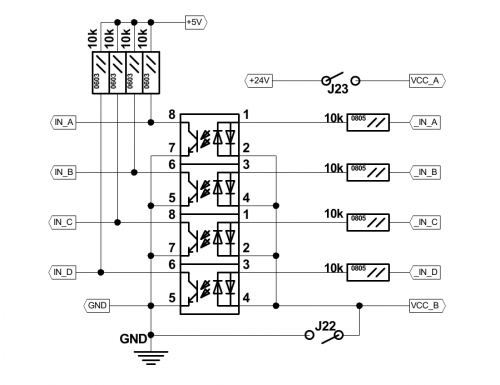
Панель управления ET10 имеет 48 гальванически развязанных двоичных входов (12 групп по 4 входа в каждой). У каждой группы есть общий светодиодный провод и отдельные контакты источника питания, поэтому входы могут получать питание от разных источников питания. Возможно одновременное использование датчиков PNP и NPN. Схема группы из 4 входов показана на следующей диаграмме.
Провода VCCB (общий провод) и VCCA используются для подключения внешнего источника питания. Помимо внешнего источника питания, внутреннее напряжение +24 В может использоваться для питания входных светодиодов, в случае если соответствующие перемычки замкнуты.
ПРЕДУПРЕЖДЕНИЕ. Если используется внешний источник питания, перемычки соответствия для группы должны быть ОТКРЫТЫ
Перемычки для использования внутреннего источника питания для каждой группы с четыремя входами показаны на рисунке ниже.
Примеры подключения -
Пример подключения трехпроводного датчика NPN
Пример подключения трехпроводного датчика PNP
Пример подключения трехпроводного датчика NPN (внутренний источник питания)
Пример подключения 3-проводного датчика PNP (внутренний источник питания)
Переключить пример подключения
- Внутренний источник питания
Перемычки для выбранной группы закрыты.
Общий провод для 4-х оптопар подключен к внутреннему контакту GND (0 В), если перемычка закрыта. Переключатель должен замкнуть другой вход оптопары на +24 В, чтобы активировать входной контакт.
Перемычка должна быть закрыта для подключения контакта оптопары к +24 В. Переключатель должен замыкать провод на GND (0 В).
Энкодерные входы
Плата ET10 имеет 6 входов инкрементного энкодера. Имеется 4 полных входа энкодера ABC (сигналы квадратурного энкодера A / B и сигнал Z) и 2 уменьшенных входа энкодера AB. Данные входы соответствуют стандарту RS485 и совместимы с большинством сервоприводов. Микросхема 34C86 используется в ET10 в качестве приемника сигналов энкодера. Внутренняя схема входов энкодера линейного драйвера показана на следующей диаграмме:
Схема входов инкрементального энкодера (один энкодер, показаны сигналы ABC)
Выходы ЦАП +/- 10В
Плата управления ET10 содержит 6 каналов +/- 10В ЦАП. Эти выходы могут использоваться для управления closed-loop в аналоговых сервоприводах, управления скоростью шпинделя или любого другого применения, для которого требуются аналоговые сигналы в диапазоне +/- 10 В.
Разъемы XT16 и XT5 используются для подключения выходов ЦАП. Расположение контактов показано на следующей диаграмме:
Пожалуйста, проверьте, не находятся ли ЦАПы в тестовом режиме перед использованием.
Управление скоростью шпинделя через выход ЦАП (0-10 В)
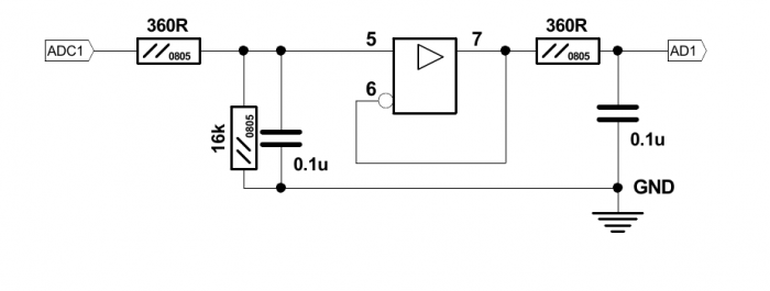
Входы АЦП
Плата управления myCNC-ET10 имеет 8 входов АЦП. Канал АЦП №0 подходит для подключения дифференциальных аналоговых сигналов в диапазоне до 30 В. Остальные 7 входов АЦП находятся в диапазоне от 0 до 5 В. Входные разъемы АЦП имеют также выходы GND и + 12В постоянного тока для легкого подключения потенциометра.
Схема дифференциального входа АЦП ET10 (канал № 0):
Схема входов АЦП ET10 0-5В (Каналы № 1 … № 7)
Разъемы XT20, XT21 используются для подключения входов АЦП:
На рисунке ниже показан пример потенциометра, подключенного к входу ADC2.
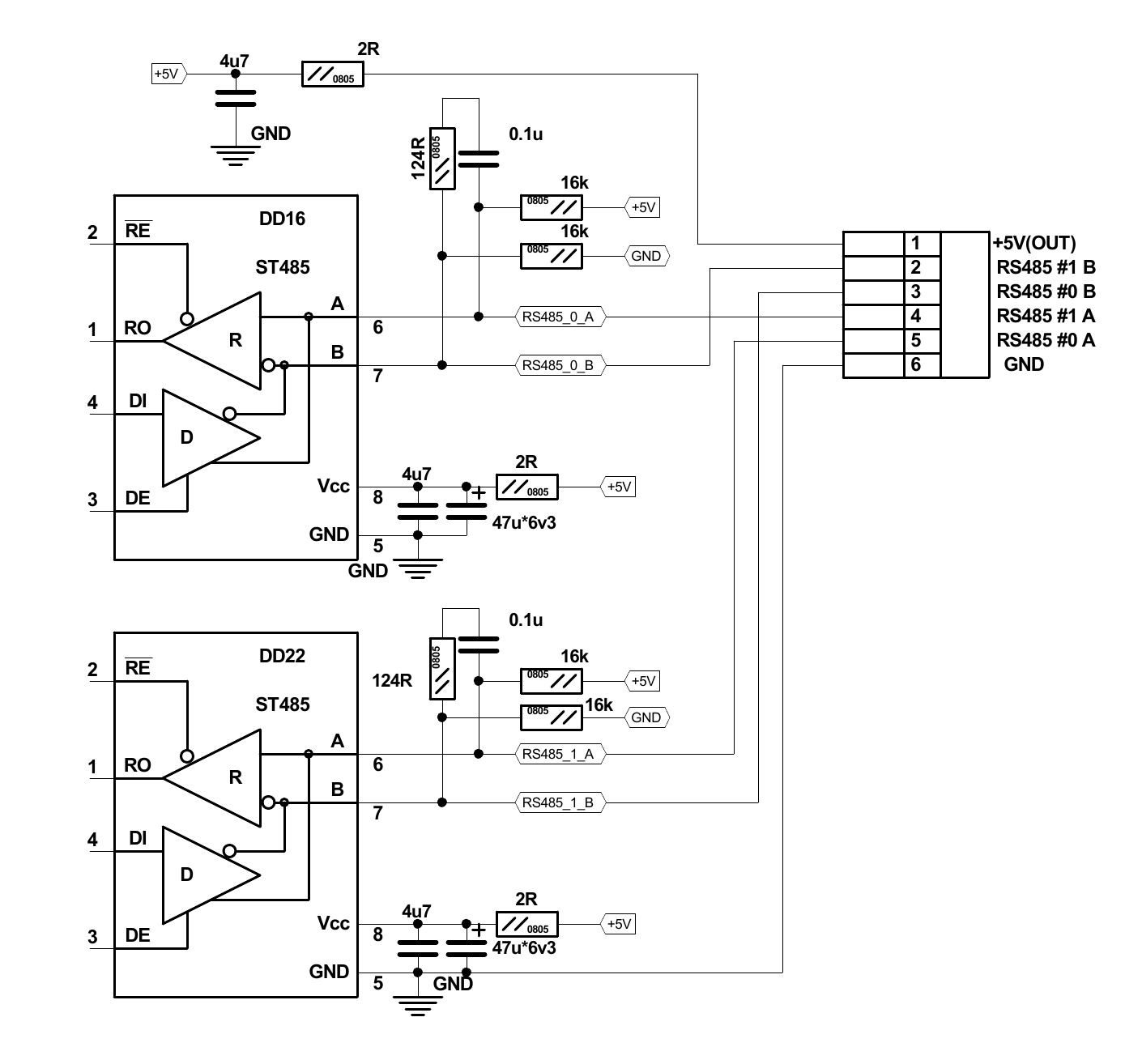
Шина RS485
Плата управления MyCNC-Et10 имеет разъем для управления шиной RS485. Реализованы интерфейсы Modbus ASCII / RTU и Hypertherm Serial.
Обратите внимание, что канал # 0 зарезервирован для задач специального назначения. Пожалуйста, свяжитесь с командой разработчиков myCNC для реализации специальных пользовательских задач. Канал № 1 может свободно использоваться пользователем.
Схема контактов RS485:
Подключение ЕТ10 к одноплатному компьютеру
Одноплатный компьютер (TinkerBoard и ему подобные) должен быть подключен к плате контроллера myCNC-ET10 в соответствии со следующей диаграммой:
Обратите внимание, что соединение обязано быть сделано через порты 5V / GND XT30, а не через 24V блока XT29, который расположен прямо рядом с ним. Неправильное подключение блока питания может привести к повреждению компьютера.
Размер платы
Размеры платы myCNC-ET10
PDF: http://cnc42.com/downloads/et10bb-r9.pdf
Обновление прошивки ET10
Перепрошить плату
1. Отключите источник питания и отсоедините контроллер ET10 от breakout board.
2. Подключите питание
3. Оставьте подключенным короткий кабель питания между ET10 и breakout board.
4. Подключите кабель mini-USB к ET10 и хост-компьютеру с установленным myCNC.
5. Закройте перемычки J4 (сброс) и J5 (программирование) на плате контроллера myCNC.
6. Откройте (снимите) перемычку J4 (сброс).
7. Откройте программное обеспечение myCNC на главном компьютере, затем перейдите в «Настройки» > «Поддержка»
8. Выберите «myCNC-ET10»
9. Выберите «Версию прошивки» из «Релиз», «Ночная сборка» или «Тестирование».
10. Выберите «UART порт» с подключенным FT232
11. Поставьте скорость передачи на «115200»
12. Нажмите кнопку «Обновить прошивку»
13. Сектор 0 будет записан в самом конце процесса, поэтому сообщение в окне отладки «Сектор 0; +» означает, что процесс перепрошивки был успешно завершен.
14. Снимите все перемычки (J4, J5), соберите ЕТ10 и Breakout и перезапустите плату.
Если процесс перепрошивки не удался, повторите процедуру, начиная с шага №5.


























